|
|
Fig No. |
Index No. |
S t o c k e d
|
Group - Fixed Equipment |
Units per assembly |
Blue prints |
| Major Assembly - Auxiliary Wing Tank Fuel System installation |
| Part number |
Description |
| 102 |
33  |
  |
87-46-033 |
  Spacer |
3   |
 |
| 102 |
34  |
  |
AN520-10-22 |
  Screw |
1   |
|
| 102 |
35  |
  |
AN520-10-20 |
  Screw |
3   |
|
| 102 |
36  |
  |
AN365-1032 |
  Nut |
6   |
|
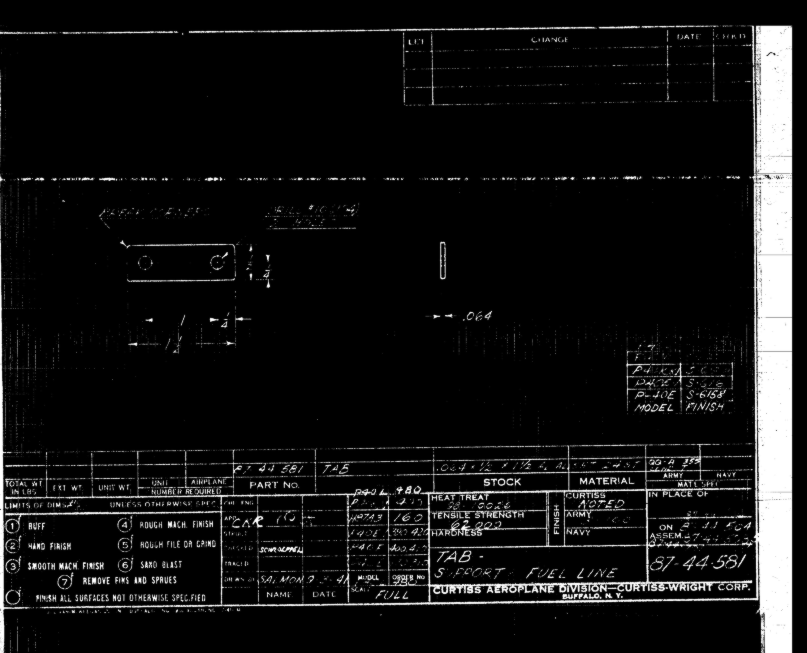
| 102 |
37  |
  |
87-44-581 |
  Spacer |
1   |
 |
| 102 |
38  |
  |
AN520-10-12 |
  Screw |
3   |
|
| 102 |
39  |
  |
AN515-8-10 |
  Screw |
3   |
|
| 102 |
40  |
  |
AN365-832 |
  Nut |
3   |
|
| 102 |
41  |
  |
AN960-8 |
  Washer |
3   |
|
| 102 |
42  |
  |
AN3-5 |
  Bolt |
3   |
|
| 102 |
43  |
  |
525-10-16 |
  Screw |
1   |
|
| 102 |
44  |
  |
AN520-10-8 |
  Screw |
1   |
|
| 102 |
45  |
  |
87-420-1001 |
  Tank Assembly - 225 gallon auxiliary wing |
1   |
|
| 102 |
46  |
  |
AN7-26 |
  Bolt |
1   |
|
| 102 |
47  |
  |
AN7-24 |
  Bolt |
1   |
|
| 102 |
48  |
  |
AN960-716 |
  Washer |
2   |
|
| 102 |
49  |
  |
AN364-720 |
  Nut |
2   |
|
|
  |
  |
|
|
  |
|
|
  |
  |
|
|
  |
|
|
  |
  |
|
|
  |
|
|
  |
  |
|
|
  |
|
|
  |
  |
|
|
  |
|
|
  |
  |
|
|
  |
|
|
  |
  |
|
|
  |
|
|
  |
  |
|
|
  |
|
|
  |
  |
|
|
  |
|
|
  |
  |
|
|
  |
|
|
  |
  |
|
|
  |
|
|
  |
  |
|
|
  |
|
|
  |
  |
|
|
  |
|
|
  |
  |
|
|
  |
|
|
  |
  |
|
|
  |
|
|
  |
  |
|
|
  |
|
|
  |
  |
|
|
  |
|
|
  |
  |
|
|
  |
|
|
  |
  |
|
|
  |
|
|
  |
  |
|
|
  |
|
|
  |
  |
|
|
  |
|
|
  |
  |
|
|
  |
|
|
  |
  |
|
|
  |
|
|
  |
  |
|
|
  |
|
|
  |
  |
|
|
  |
|
|
|