Fig No. |
Index No. |
S t o c k e d
|
Group - Fixed Equipment |
Units per assembly |
Blue prints |
| Major Assembly - Oil System Installation |
| Part number |
Description |
| 112 |
14  |
  |
AN960-10 |
  Washer |
1   |
|
| 112 |
81  |
  |
87-420-1032-.750-3.50 |
  Hose |
1   |
|
| 112 |
77  |
  |
QS100M16 |
  Clamp (Aero Seal) |
2   |
|
| 112 |
88  |
  |
87-46-543 |
  Coupling - Tee house |
1   |
 |
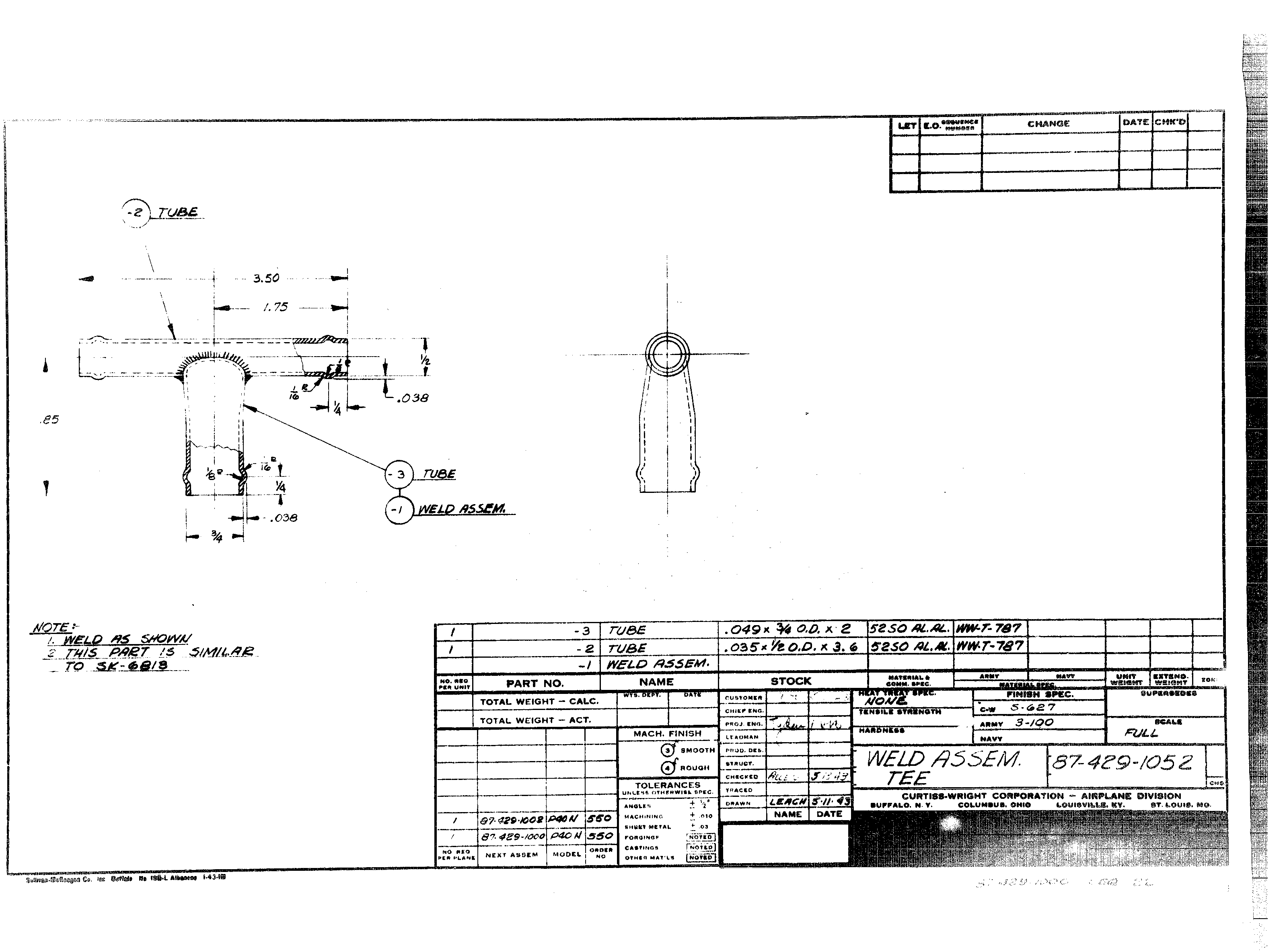
| 112 |
89  |
  |
87-429-1052 |
  Weld Assembly - Tee |
1   |
 |
| 112 |
90  |
  |
87-420-1032-.50-2.25 |
  Hose |
2   |
|
| 112 |
91  |
  |
QS100M8 |
  Clamp (Aero Seal) |
4   |
|
| 112 |
92  |
  |
87-429-1003-39 |
  Tube |
1   |
|
| 112 |
93  |
  |
87-429-1003-70 |
  Tube |
1   |
|
| 112 |
94  |
  |
87-46-718 |
  Clip |
1   |
 |
| 112 |
95  |
  |
87-46-718-1 |
  Clip |
1   |
|
| 112 |
66  |
  |
AN520-10-10 |
  Screw |
1   |
|
| 112 |
14  |
  |
AN960-10 |
  Washer |
1   |
|
| 112 |
97  |
  |
AN936B10 |
  Washer - Lock |
1   |
|
| 112 |
15  |
  |
AN365-1032 |
  Nut |
1   |
|
| 112 |
98  |
  |
87-420-1032-.50-3.00 |
  Hose |
1   |
|
| 112 |
91  |
  |
QS100M8 |
  Clamp (Aero Seal) |
2   |
|
| 112 |
99  |
  |
AN844-8D |
  Elbow |
1   |
|
| 112 |
100  |
  |
AN912-8 |
  Busing |
1   |
|
| 112 |
101  |
  |
87-429-1003-400 |
  Tube |
1   |
|
| 112 |
102  |
  |
87-429-1003-71 |
  Tube |
1   |
|
| 112 |
103  |
  |
87-46-718-1 |
  Clip |
1   |
|
| 112 |
95  |
  |
87-46-718-1 |
  Clip |
1   |
|
| 112 |
96  |
  |
755-8-2-8 |
  Clamp (Adel) |
1   |
|
| 112 |
66  |
  |
AN520-10-10 |
  Screw |
1   |
|
| 112 |
14  |
  |
AN960-10 |
  Washer |
1   |
|
| 112 |
97  |
  |
AN936B10 |
  Washer - Lock |
1   |
|
| 112 |
15  |
  |
AN365-1032 |
  Nut |
1   |
|
| 112 |
98  |
  |
87-420-1032-.50-3.00 |
  Hose |
1   |
|
| 112 |
91  |
  |
QS100M8 |
  Clamp (Aero Seal) |
2   |
|
| 112 |
104  |
  |
AN840-8 |
  Adapter |
1   |
|
| 112 |
105  |
  |
75-46-026 |
  Spring - Dilution control |
1   |
|
| 112 |
106  |
  |
87-429-1040 |
  Rod Assembly - Dilution control |
1   |
 |
| 112 |
36  |
  |
AN960-516 |
  Washer |
1   |
|
| 112 |
107  |
  |
87-429-1041 |
  Block - Dilution control bearing |
1   |
 |
| 112 |
108  |
  |
AN515-6-10 |
  Screw |
4   |
|
| 112 |
109  |
  |
AN960-6 |
  Washer |
4   |
|
| 112 |
110  |
  |
AN365-632 |
  Nut |
4   |
|
| 112 |
111  |
  |
AN392-13 |
  Pin |
1   |
|
| 112 |
48  |
  |
AN380C2-2 |
  Pin - Cotter |
1   |
|
| 112 |
112  |
  |
87-429-1045 |
  Tube - Dilution manual control |
1   |
 |
| 112 |
113  |
  |
87-429-1047 |
  Plunger - Dilution manual control |
1   |
|