Fig No. |
Index No. |
S t o c k e d
|
Group - Fixed Equipment |
Units per assembly |
Blue prints |
| Major Assembly - Furnishing Installation - Cabin Controls Installation |
| Part number |
Description |
| 60 |
6  |
  |
AN960-10 |
      Washer |
1   |
|
| 60 |
34  |
  |
AN315-3 |
      Nut |
1   |
|
| 60 |
35  |
  |
87-25-573 |
      Arm |
1   |
 |
| 60 |
36  |
  |
87-25-590 |
      Bolt |
1   |
 |
| 60 |
37  |
  |
AN960-8 |
      Washer |
1   |
|
| 60 |
38  |
  |
AN340-8 |
      Nut |
1   |
|
| 60 |
39  |
  |
87-25-631 |
      Support |
1   |
 |
| 60 |
40  |
  |
87-25-630 |
      Washer |
1   |
 |
| 60 |
41  |
  |
87-25-589 |
      Plate - Rub |
1   |
 |
| 60 |
42  |
  |
87-25-588 |
      Reinforcement |
1   |
 |
| 60 |
43  |
  |
87-25-580 |
      Base |
1   |
, |
| 60 |
44  |
  |
87-25-587 |
      Washer |
1   |
 |
| 60 |
45  |
  |
87-25-578 |
      Drum |
1   |
 |
| 60 |
46  |
  |
75-25-026-.055.591 |
      Washer |
1   |
|
| 60 |
47  |
  |
87-25-577 |
      Spring |
1   |
 |
| 60 |
48  |
  |
87-25-575 |
      Shaft |
1   |
 |
| 60 |
49  |
  |
1103DS6 |
      Bolt |
4   |
|
| 60 |
6  |
  |
AN960-10 |
      Washer |
4   |
|
| 60 |
7  |
  |
AN365-1032 |
      Nut |
4   |
|
| 60 |
50  |
  |
87-25-501 |
    Cabin Assembly |
  ref |
|
| 60 |
51  |
  |
87-25-555 |
      Roller Assembly |
1   |
 |
| 60 |
52  |
  |
87-25-555-1 |
        Fitting |
1   |
|
| 60 |
53  |
  |
K3L2 |
        Bearing (Norma-Hoffman) |
4   |
|
| 60 |
54  |
  |
1103DC5 |
        Bolt |
4   |
|
| 60 |
55  |
  |
87-25-572 |
    Cable Installation |
1   |
|
| 60 |
56  |
  |
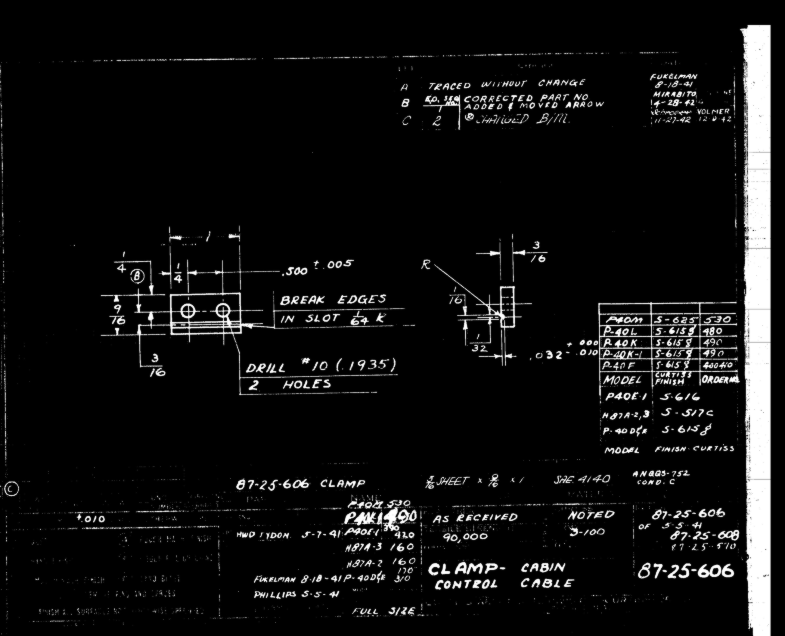
87-25-606 |
    Clamp - Cabin control cable |
2   |
 |
| 60 |
57  |
  |
87-25-607L |
    Grip - Cabin control cable |
1   |
 |
| 60 |
57  |
  |
87-25-607R |
    Grip - Cabin control cable |
1   |
 |
| 60 |
58  |
  |
AN73-5 |
      Bolt |
2   |
|
| 60 |
59  |
  |
AN960D10 |
      Washer |
2   |
|
|
  |
  |
|
|
  |
|
|
  |
  |
|
|
  |
|
|
  |
  |
|
|
  |
|
|
  |
  |
|
|
  |
|
|
  |
  |
|
|
  |
|
|
  |
  |
|
|
  |
|
|
  |
  |
|
|
  |
|
|
  |
  |
|
|
  |
|
|
  |
  |
|
|
  |
|
|
  |
  |
|
|
  |
|
|
  |
  |
|
|
  |
|
|
  |
  |
|
|
  |
|