Fig No. |
Index No. |
S t o c k e d
|
Group - Alighting Gear |
Units per assembly |
Blue prints |
| Major Assembly - Landing Gear Installation - Gear Oleo Strut Assembly |
| Part number |
Description |
| 41 |
60  |
  |
87-31-525R |
    Trunnion Assembly - Lower RH |
1   |
 |
| 41 |
61  |
  |
87-31-525-1L |
      Trunnion LH |
1   |
|
| 41 |
61  |
  |
87-31-525-1R |
      Trunnion RH |
1   |
|
| 41 |
62  |
  |
87-31-525-2L |
      Trunnion LH |
1   |
|
| 41 |
62  |
  |
87-31-525-2R |
      Trunnion RH |
1   |
|
| 41 |
63  |
  |
75-31-032 |
      Stud - Lower trunnion |
2   |
 |
| 41 |
64  |
  |
1060D1-15 |
      Pin - Dowel |
2   |
|
| 41 |
65  |
  |
87-31-550 |
      Bolt - Trunnion socket head |
8   |
 |
| 41 |
66  |
  |
1004D10-.622 |
      Bushing |
1   |
|
| 41 |
67  |
  |
AN286-4 |
      Lubricator |
1   |
|
| 41 |
68  |
  |
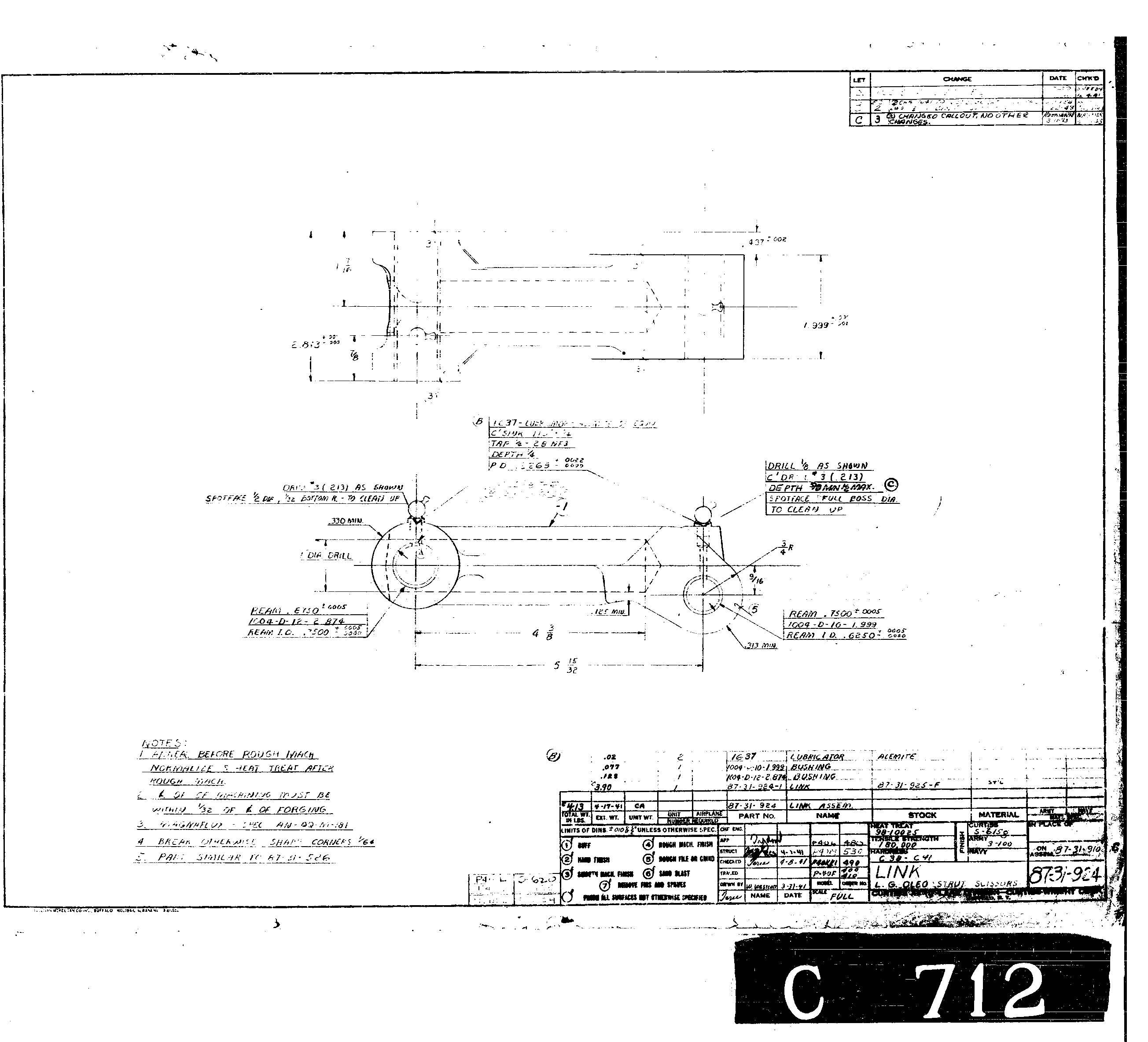
87-31-923 |
    Link - Scissors upper |
1   |
 |
| 41 |
69  |
  |
87-31-923-1 |
      Link |
1   |
|
| 41 |
70  |
  |
87-311-1001 |
      Bushing |
1   |
|
| 41 |
71  |
  |
87-311-1003 |
      Bushing |
2   |
|
| 41 |
72  |
  |
1641 |
      Lubricator (Steward-Warner) |
1   |
|
| 41 |
73  |
  |
87-31-924 |
    Link - Scissors |
1   |
 |
| 41 |
74  |
  |
87-31-924-1 |
      Link |
1   |
|
| 41 |
75  |
  |
87-311-1002 |
      Bushing |
1   |
|
| 41 |
70  |
  |
87-311-1001 |
      Bushing |
1   |
|
| 41 |
76  |
  |
1637 |
      Lubricator (Steward-Warner) |
2   |
|
| 41 |
77  |
  |
87-31-937 |
    Bolt - Scissors |
2   |
 |
| 41 |
78  |
  |
AN960-1016 |
    Washer |
2   |
|
| 41 |
79  |
  |
AN320-10 |
    Nut |
2   |
|
| 41 |
80  |
  |
AN380C4-4 |
    Pin - Cotter |
2   |
|
| 41 |
81  |
  |
87-31-939 |
    Bolt - Scissors joint |
1   |
 |
| 41 |
82  |
  |
AN960-916 |
    Washer |
1   |
|
| 41 |
83  |
  |
AN320-9 |
    Nut |
1   |
|
| 41 |
80  |
  |
AN380C4-4 |
    Pin - Cotter |
1   |
|
| 41 |
84  |
  |
87-31-561 |
    Washer - Bolt locking |
2   |
 |
| 41 |
85  |
  |
AN501A10-4 |
    Screw |
2   |
|
| 41 |
86  |
  |
87-31-520L |
    Fitting Assembly - Axle LH |
1   |
 |
| 41 |
86  |
  |
87-31-520L |
    Fitting Assembly - Axle LH |
1   |
 |
| 41 |
86  |
  |
87-31-520R |
    Fitting Assembly - Axle RH |
1   |
 |
| 41 |
87  |
  |
87-31-528 |
      Axle Assembly - Wheel |
1   |
 |
| 41 |
88  |
  |
87-31-528-1 |
        Axle |
1   |
|
| 41 |
89  |
  |
34A15-3 |
        Coller |
1   |
|
| 41 |
90  |
  |
32A509-2 |
        Washer |
1   |
|
| 41 |
91  |
  |
32A510-2 |
        Nut |
1   |
|
| 41 |
92  |
  |
AN380C5-10 |
        Pin - Cotter |
1   |
|
| 41 |
93  |
  |
87-31-507L |
      Fitting - tow ring and jack pad LH |
1   |
 |
| 41 |
93  |
  |
87-31-507R |
      Fitting - tow ring and jack pad RH |
1   |
 |
| 41 |
94  |
  |
87-31-537 |
      Fitting - Axle |
1   |
 |
| 41 |
95  |
  |
AN26-54 |
      Bolt |
1   |
|
| 41 |
40  |
  |
ANA960-616 |
      Washer |
1   |
|
| 41 |
96  |
  |
AN320-6 |
      Nut |
1   |
|
| 41 |
42  |
  |
AN380C3-3 |
      Pin - Cotter |
1   |
|
| 41 |
97  |
  |
87-310-1023L |
    Fitting - Assembly - Axle (See Figure 43) LH |
1   |
 |
| 41 |
97  |
  |
87-310-1023R |
    Fitting - Assembly - Axle (See Figure 43) RH |
1   |
 |
| 41 |
98  |
  |
AN28-54 |
    Bolt |
2   |
|
| 41 |
19  |
  |
AN960-816 |
    Washer |
2   |
|
| 41 |
99  |
  |
AN320-8 |
    Nut |
2   |
|
| 41 |
100  |
  |
AN380C3-4 |
    Pin - Cotter |
2   |
|
| 41 |
101  |
  |
AN935-10 |
    Washer - Lock |
1   |
|
| 41 |
102  |
  |
95593-1 |
    Screw |
1   |
|
|
  |
  |
|
|
  |
|
|
  |
  |
|
|
  |
|
|
  |
  |
|
|
  |
|
|
  |
  |
|
|
  |
|
|
  |
  |
|
|
  |
|
|
  |
  |
|
|
  |
|
|
  |
  |
|
|
  |
|
|
  |
  |
|
|
  |
|
|
  |
  |
|
|
  |
|
|
  |
  |
|
|
  |
|
|
  |
  |
|
|
  |
|
|
  |
  |
|
|
  |
|
|
  |
  |
|
|
  |
|
|
  |
  |
|
|
  |
|
|
  |
  |
|
|
  |
|
|
  |
  |
|
|
  |
|
|
  |
  |
|
|
  |
|
|
  |
  |
|
|
  |
|
|
  |
  |
|
|
  |
|
|
  |
  |
|
|
  |
|
|
  |
  |
|
|
  |
|
|
  |
  |
|
|
  |
|
|
  |
  |
|
|
  |
|
|
  |
  |
|
|
  |
|
|
  |
  |
|
|
  |
|
|
  |
  |
|
|
  |
|
|
  |
  |
|
|
  |
|
|
  |
  |
|
|
  |
|
|
  |
  |
|
|
  |
|
|
  |
  |
|
|
  |
|